2024-12-02 11:14:35 上海禹轩阀门 962
在现代工业体系中,阀门作为流体控制的关键元件,其性能与可靠性直接影响到整个系统的运行效率与安全性。上海禹轩阀门制造有限公司推出的YCQ340F/H/Y侧装式偏心半球阀,以其独特的设计和卓越的性能,赢得了市场的广泛认可。上海禹轩将详细介绍这款阀门的结构特点、工作原理及其在不同工业领域中的应用。
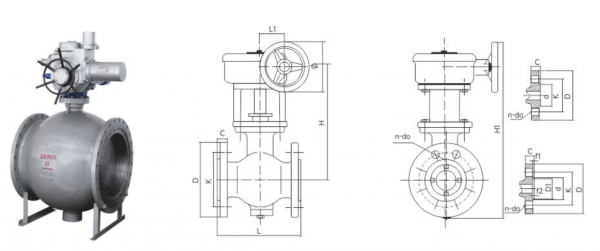
YCQ340F/H/Y侧装式偏心半球阀采用偏心半球结构设计,这种设计打破了传统球阀的对称布局,使得阀芯在开启和关闭过程中能够实现线性运动,从而减少摩擦和磨损,提高阀门的使用寿命。
与传统顶装式阀门不同,YCQ340F/H/Y采用侧装式结构,使得阀门的安装和维护更加方便。特别是在空间受限的管道系统中,侧装式结构能够节省大量安装空间,降低安装难度和维护成本。
该阀门提供多种材质选择,包括铸钢、不锈钢等,以满足不同介质和工况的需求。密封形式上,采用金属硬密封和软密封相结合的方式,确保阀门在高温、高压及腐蚀性介质中的密封性能。
YCQ340F/H/Y侧装式偏心半球阀的工作原理是通过旋转阀芯来实现流体的通断和调节。阀芯的偏心设计使得在开启过程中,阀芯逐渐脱离阀座,减少摩擦;而在关闭过程中,阀芯逐渐靠近阀座,实现密封。这种独特的设计不仅提高了阀门的流通能力,还降低了操作扭矩。
在石油化工领域,YCQ340F/H/Y侧装式偏心半球阀被广泛应用于各种介质的输送管道中。其优异的密封性能和抗腐蚀能力,确保了管道系统的安全运行。特别是在高温、高压工况下,该阀门表现出色。
电力系统中,阀门主要用于控制蒸汽、水等介质的流动。YCQ340F/H/Y侧装式偏心半球阀的调节性能好,能够精确控制流体的流量和压力,满足电力系统的复杂需求。
在供水与污水处理系统中,YCQ340F/H/Y侧装式偏心半球阀的流通能力大,能够减少流体阻力,提高系统效率。其耐腐蚀性能也使其在污水处理环境中表现出色。
由于YCQ340F/H/Y侧装式偏心半球阀的密封性能好,无泄漏,因此在食品与医药行业中得到了广泛应用。其材质符合卫生标准,能够确保介质的纯净度。
上海禹轩阀门制造有限公司的YCQ340F/H/Y侧装式偏心半球阀,以其创新的设计和卓越的性能,在多个工业领域中展现出广泛的应用前景。无论是在石油化工、电力系统、供水与污水处理,还是在食品与医药行业,该阀门都以其高效、可靠、安全的特点,赢得了客户的信赖和好评。相信在未来,YCQ340F/H/Y侧装式偏心半球阀将继续为各行各业的流体控制提供强有力的支持。

本文来源于上海禹轩阀门,目的在于传递更多的信息,如涉及版权问题请及时联系,我们定会配合删除
关键词:侧装式偏心半球阀源头厂家,